| Sign In | Join Free | My wpc-board.com |
|
Brand Name : YUYANG
Model Number : YYH083
Certification : UL, ASTM, CE, ISO
Place of Origin : China
MOQ : 1 set
Price : Negotiation
Payment Terms : T/T, L/C, Western Union
Supply Ability : 10000 sets per month
Delivery Time : 7 working days
Packaging Details : safety carton pack or plywood box
Product Name : Wire Testing Equipment
Usage : For Wireless Charge
Standard : IEC 62368 Edition 3
Material : Aluminium
Thermocouple : K Type
High Light : av test equipment, tv test equipment
Adjustable alignment fixture : with 5mm graduations included for aligning
Warranty : 1 year
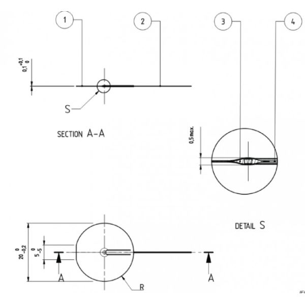
Aluminium Foil CDV Status IEC 62368 Edition 3- Figure49 WPC Defined Metal Objects
The following foreign object are used:
1.Aluminium foil
IEC CDV 62368-1/Ed3-Figure 49(including thermocouples)


WPC defined metal objects that can be placed between Qi wireless transmitters and receivers and used to evaluate the FOD operation and performance.
Description
The Qi Foreign Objects are WPC defined metal objects that can be placed between Qi wireless transmitters and receivers and used to evaluate the FOD operation and performance. These objects may be used for conducting temperature rise tests required for both transmitter and receivers.
Application
Product developers looking to quickly characterize and test wireless power transmitter and receiver foreign object detection (FOD) performance. WPC specified foreign objects with attached thermocouples are used to monitor temperature rise at the interface surface per WPC requirements. These objects are useful for design debugging, characterization/tuning, and Qi pre-compliance testing.
Features
• Centered Aluminum Disc foreign object specified by WPC V1.2
• Mounted in PEEK high temp plastic frame
• Includes K-type thermocouples and connectors
• Adjustable alignment fixture with 5mm graduations included for aligning
TPR#5 coil holder and AVID’s Low and Medium Power FOD Receiver coil holder
| Product Name | Wire Testing Equipment |
| Usage | For Wireless Charge |
| Standard | IEC 62368 Edition 3 |
| Material | Aluminium |
| Thermocouple | K Type |
| High Light | av test equipment, tv test equipment |
| Adjustable alignment fixture | with 5mm graduations included for aligning |
| Warranty | 1 year |
Test Modes
• Can be used to run WPC thermal compliance tests for FOD
• Can be used to help characterize and adjust FOD detection algorithms and thresholds for V1.2 and newer transmitters
| 1 Steel disk | IEC CDV 62368-1/Ed3-Figure 47 |
| 2 Aluminium ring | IEC CDV 62368-1/Ed3-Figure 48 |
| 3 Aluminium foil | IEC CDV 62368-1/Ed3-Figure 49 |

DONGGUAN YUYANG INSTRUMENT CO.,LTD is Located in Wanjiang District (Dongguan City, Guangdong Province,China),a famous historical town with prosperous industry and convenient transportation. We are a high-tech enterprise which is specialized in developing and manufacturing Fire Testing Equipment, Building Material Fire Tester, Wire and Cable Fire Tester, Environmental Test Chamber, Textile Testing Equipment, Toys Testing Equipment and etc.
Decades of research and development strengthen the leading edge of YUYANG in this field, and established as an crucial role in R&D on high quality and high-cost performance of testing equipment. YUYANG's testing equipment are widely used in various field: scientific institutions, colleges, inspection institutions, auto parts, electronics, electricals, lithium battery, LED, photoelectricity, mobile, plastic and rubber, display, telecommunication, chemical industry, aerospace, building material and product, wire and cable, toys, furniture, textile and fabrix, etc.
All YUYANG testing equipment are designed according to international test standards, such as ISO, ASTM, DIN, EN, GB, BS, JIS, ANSI, UL, TAPPI, AATCC, IEC, VDE, CSA,CEN and so on.
DONGGUAN YUYANG INSTRUMENT CO.,LTD looks forward to cooperating with customer all over the world.
If you are interested in any of our products or would like to discuss a custom order. Please feel free to contact us. We are looking forward to forming succesful business with new clients around the world in the near future.




|
|
CDV Status IEC 62368 Aluminium Foil Edition 3-Figure 49 WPC Defined Metal Objects Images |